6566ccm爱彩网 版权所有 []
6566ccm爱彩网 手机:18898764231 微信号:18898764231 邮箱:tianxingjian2024@163.com
地址:深圳市宝安区新桥街道万丰社区中心路98工业城8栋
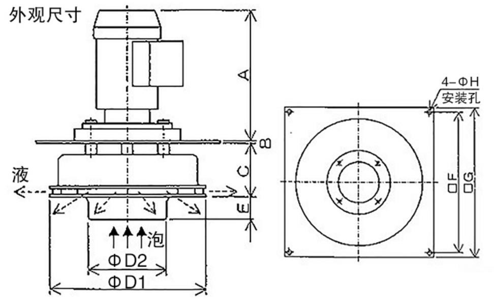
想要摆脱泡沫困扰吗?机械消泡6566ccm爱彩网的消泡原理是什么?优点有那些?小编在此一一道来,机械消泡助力企业环保生产顺利开展。
机械消泡的消泡原理:
机械消泡是利用离心力来破碎生产过程中产生的泡沫,使气液分离,高速旋转的叶轮提供的剪切力撕碎气泡,气泡释放出的液体立即被离心力摔向内筒壁,泡沫撞击内筒壁而被击破转变为液体,并压缩为液流重新回到液体中,减少逃液损失。
机械消泡的优点:
6566ccm爱彩网1.省时省力:机械消泡代替了传统人工添加化学药剂,无需专门在旁看管,省时、省力,减少了人力费用;
2.低碳环保,源头不添加化学药剂,减少COD排量,节约了污水处理成本;
3.提升产品品质,排除因使用消泡剂造成产品品质的隐患;
6566ccm爱彩网4.节约成本,节省了一笔用于化学药剂的不小开支;
6566ccm爱彩网5.操作简单,机台与原作业机台实现联动控制,一键智能操作,不需要担心因为忘记加入消泡剂而使泡沫超出上限;
6.省心方便,不用考虑不同的液体而去采取不同的消泡剂;
7.运用范围广:机械消泡适用领域有医疗领域、化工领域、污水处理领域、清洗领域等;
8.加工定制:根据您的要求,定制生产。
6566ccm爱彩网 版权所有 []
6566ccm爱彩网 手机:18898764231 微信号:18898764231 邮箱:tianxingjian2024@163.com
地址:深圳市宝安区新桥街道万丰社区中心路98工业城8栋