6566ccm爱彩网6566ccm爱彩网 版权所有 []
手机:18898764231 微信号:18898764231 邮箱:tianxingjian2024@163.com
地址:深圳市宝安区新桥街道万丰社区中心路98工业城8栋

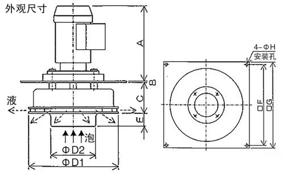
TN-D600型机械消泡器是利用离心力来破碎生产过程中产生的泡沫,使气液分离,高速旋转的叶轮提供的剪切力撕碎气泡,气泡释放出的液体立即被离心力摔向内筒壁,泡沫撞击内筒壁而被击破转变为液体,并压缩为液流重新回到液体中,减少逃液损失。


| 与一般使用消泡剂相比 | |
| 1 | 省时省力:无需在旁一直观察,不需按时加入消泡剂,减少了人力费用。 |
| 2 | 低碳环保,源头不添加消泡剂,减少污水处理厂COD排量 |
| 3 | 提升产品品质:排除因使用消泡剂造成产品品质的隐患 |
| 4 | 节约成本:节省了一笔用于消泡剂的不小开支。 |
| 5 | 操作简单:不需要担心因为忘记加入消泡剂而使泡沫超出上限。 |
| 6 | 省心方便:不用考虑不同的液体而去采取不同的消泡剂。 |
| 7 | 操作简单:机台与原作业机台实现联动控制。 |




![]() | 10年脱泡设备研发生产经验积累 | ![]() |
| 世界100强PCB企业见证 | ||
| ◆管件采用知名品牌,经久耐用 | ||
| 可提供驻厂品质监控 | ||
| ◆ 重重把关,质量有保障 | ||
| 品质合格率达99.6% | ||
![]() | 可视化生产管理体系 | |
| 确保交期“0”延误 | ||
| ◆拥有先进的精雕加工设备 | ||
| 高产能,月销量可达50台 | ||
| ◆时间点把控严格 | ||
| 保证按时交货 | ||
![]() | 专业设计团队 | |
| 可满足个性定制需求 | ||
| ◆专业1VS1定制设计 | ||
| 为产品设计提供全面保障 | ||
| ◆完整的定制服务 | ||
| 仅需5-7天 | ||
![]() | 款式多多、任您选购 | |
| ◆设备实验展示展厅 客户参观,体验现场实验效果 | ||
| ◆免费试机,彰显品牌魅力 | ||




| 我要评论: | |
| *内 容: |
(内容最多500个汉字,1000个字符) |
| 验证码: | 看不清?! |
6566ccm爱彩网 微信:188 9876 4231
邮箱:tianxingjian2024@163.com
6566ccm爱彩网 地址:深圳市宝安区新桥街道万丰社区中心路98工业城8栋
6566ccm爱彩网6566ccm爱彩网 版权所有 []
手机:18898764231 微信号:18898764231 邮箱:tianxingjian2024@163.com
地址:深圳市宝安区新桥街道万丰社区中心路98工业城8栋
共有-条评论【我要评论】