6566ccm爱彩网 版权所有 []
手机:18898764231 微信号:18898764231 邮箱:tianxingjian2024@163.com
6566ccm爱彩网地址:深圳市宝安区新桥街道万丰社区中心路98工业城8栋
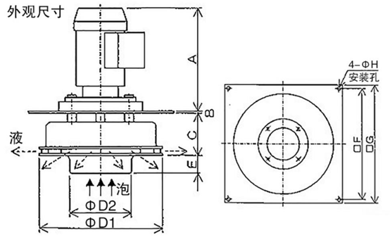
线路板泡沫产生的只要生产线有显影段,阻焊段、绿油段,去膜段等,针对不同的生产线泡沫,需要使用的化学药剂也不一样。线路板(PCB)消泡器是一款物理消泡器,利用离心力来破碎生产过程中产生的泡沫,使气液分离,高速旋转的叶轮提供的剪切力撕碎气泡,气泡释放出的液体立即被离心力摔向内筒壁,泡沫撞击内筒壁而被击破转变为液体,并压缩为液流重新回到液体中,减少逃液损失。




与一般使用消泡剂相比6566ccm爱彩网 | |
1 | 省时省力:无需在旁一直观察,不需按时加入消泡剂,减少了人力费用 |
2 | 安全环保,物理消泡,代替添加化学药剂 |
3 | 提升产品品质:排除因使用消泡剂造成产品品质的隐患 |
4 | 节约成本:节省了一笔用于消泡剂的不小开支 |
5 | 操作简单:安装灵活,一键式智能操作,不需要担心因忘记加入消泡剂而使泡沫超出上限 |
6 | 省心方便:不用考虑不同的液体而去采取不同的消泡剂 |
7 | 保养方便 |









| 我要评论: | |
| *内 容: |
(内容最多500个汉字,1000个字符) |
| 验证码: | 看不清?! |
微信:188 9876 4231
邮箱:tianxingjian2024@163.com
地址:深圳市宝安区新桥街道万丰社区中心路98工业城8栋
6566ccm爱彩网 版权所有 []
手机:18898764231 微信号:18898764231 邮箱:tianxingjian2024@163.com
6566ccm爱彩网地址:深圳市宝安区新桥街道万丰社区中心路98工业城8栋
共有-条评论【我要评论】